ULDC-Z
The Universal LED Driver Controller (ULDC) is an easy-to-install, highly flexible system that enables you control your LED lighting fixtures wirelessly.
Advanced Lighting Control
- Precision 0-10V Dimming Output
- High-resolution 12-bit control (4096 steps)
- Compatible with industry-standard 0-10V dimmable LED drivers
- 20mA current sink capability
- Short-circuit and surge protected output
- Configurable dimming curves for linear or logarithmic response
- PWM Control Output
- Additional control option for compatible devices
- High-frequency operation for flicker-free performance
- Configurable frequency and duty cycle
- 12V logic level output
Environmental Intelligence
- Temperature-Based Control
- Dedicated NTC thermistor input
- Automatic brightness adjustment based on temperature
- Configurable temperature thresholds and responses
- High-accuracy temperature measurement (±0.5°C)
- Programmable temperature-to-dimming curves
- Motion-Based Control
- Integrated PIR sensor input
- Configurable motion detection parameters
- Programmable timeout and fade times
- Occupancy-based lighting scenarios
- Support for presence and absence detection modes
Advanced Communication
- Robust RS-485 Interface
- Support for multiple industry protocols:
- DMX512 for entertainment lighting
- Modbus RTU for building automation
- Custom protocols via API
- Software-controlled 120Ω termination
- Up to 32 devices on single bus
- Protected against EMI and surge
- Baud rates up to 115200 bps
- Support for multiple industry protocols:
- Wireless Connectivity
- Advanced wireless protocol support
- Secure, encrypted communication
- Over-the-air (OTA) firmware updates
- Remote configuration and monitoring
- Real-time status reporting
- Mesh networking capability
Industrial-Grade Design
- Wide operating temperature range (-20°C to +60°C)
- High-quality components for longevity
- Robust mechanical design
- DIN rail or surface mounting options
- Status LED indicators for diagnostics
This feature set makes the ULDC-Z an ideal solution for professional lighting applications requiring precise control, reliability, and integration flexibility. The device can be used in various environments from commercial buildings to industrial facilities, offering both standalone operation and seamless integration with larger building management systems.
| Parameter | Specification |
| Power Supply | |
| Operating Voltage | 9-36 V |
| Power Consumption | < 2W typical |
| 0-10V Output | |
| Voltage Range | 0-10V |
| Current Sink Capacity | 20 mA Max |
| Resolution | 12-bit |
| Communications | |
| RS-485 Interface | Up to 32 devices on bus |
| RS-485 Protocols | DMX512, Modbus RTU |
| Wireless Protocols | BLE, MQTT |
| Environmental | |
| Operating Temperature | -20°C to +60°C |
| Storage Temperature | -40°C to +85°C |
| Humidity | 10% to 90% RH (non-condensing) |
| Inputs/Outputs | |
| Digital Inputs | PIR sensor input |
| Analog Inputs | NTC temperature sensor input |
| Digital Outputs | PWM output (12V, adjustable frequency) |
| Mechanical | |
| Mounting | DIN rail or surface mount |
| Dimensions | 5” X 2 ½” X 1 ¾“ |
| Connector Thread Type | ½NPT, 14 Threads Per Inch |
| Enclosure | IP20 |
| Certifications (Pending) | |
| Safety | CE, UL, FCC |
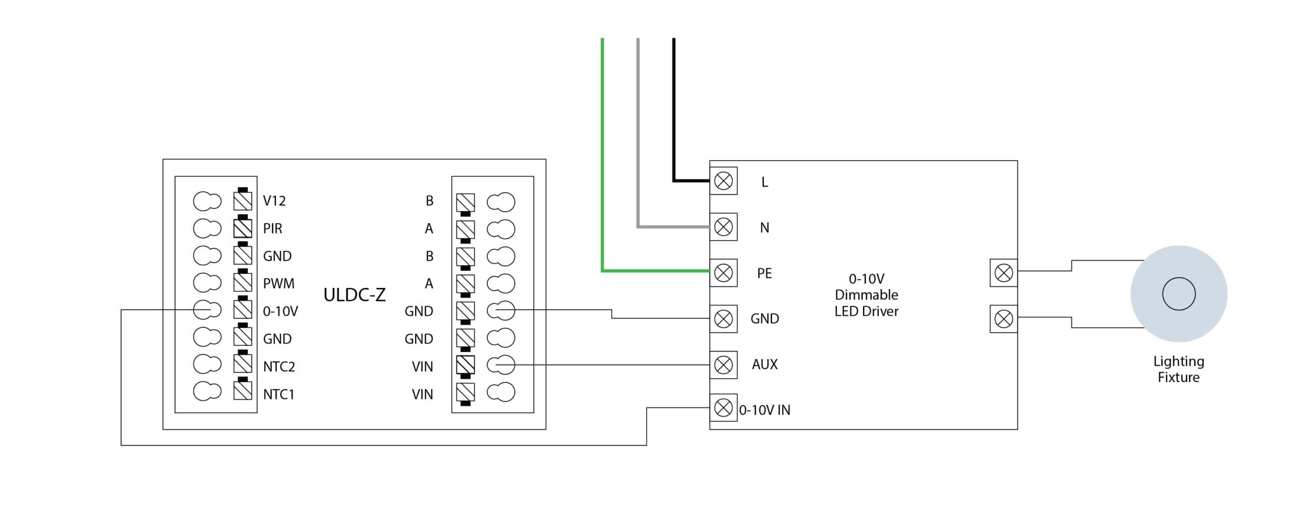
0-10V Dimmer

TRIAC DIMMER
PIR CONTROLLED
TEMPERATURE CONTROLLED
TEMPERATURE FEEDBACK
DMX DIMMER (AC)
DMX DIMMER (DC)
DMX DIMMER (DC) RGBW
MODBUS CONTROLLER
PRODUCTS DESCRIPTION
The ULDC-Z is a wireless load controller for lighting fixtures with LED drivers. It is wirelessly controlled from a wall mounted control unit. The ULDC-Z offers 0 to 10VDC dimming on the conventional AC lighting circuits. The overall system does not require a conventional dimming switch to be present on the wall, instead the wall mounted unit controls each ULDC-Z load controller individually, keeping the switched lighting circuit available for non dimmable fixtures.
LEARN MORE ABOUT CRIBLIGHTING
CRIB Lighting respects your personal information and keeps it safe. By sending this form, you consent to allow CRIB Lighting to store and process your personal information as stated in our Privacy Policy. Please contact us at info@stage.criblighting.com for a copy of our privacy policy.
FAQ
A frequently asked question surrounding your service
A detailed answer to provide information about your business, build trust with potential clients, and help convince the visitor that you are a good fit for them.
A frequently asked question surrounding your service
A detailed answer to provide information about your business, build trust with potential clients, and help convince the visitor that you are a good fit for them.
A frequently asked question surrounding your service
A detailed answer to provide information about your business, build trust with potential clients, and help convince the visitor that you are a good fit for them.
A frequently asked question surrounding your service
A detailed answer to provide information about your business, build trust with potential clients, and help convince the visitor that you are a good fit for them.